Geri
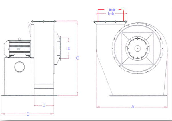
Aspiratör

Aspiratörler un, irmik fabrikalarında ve hububat temizleme tesislerinde değişik makine gruplarının aspirasyonunda kullanılır. Kapasitelerine uygun olarak büyüklükleri ve motor güçleri değişmektedir. İmalatımızda yer alan aspiratörlerin motorları direk akupleli olarak çalışma özelliğine sahiptir. Titreşimi minimum düzeye indirgemek için zemine kauçuk takozla monte edilmiştir.
